Home » Uncategories » 2002 Gem Car E825 Turn Signal Relay Location : Gem Car Dash Mod Gem Forum Electric Forum : This is a simple way to get 12volts out on a 2002 e825 gem.
2002 Gem Car E825 Turn Signal Relay Location : Gem Car Dash Mod Gem Forum Electric Forum : This is a simple way to get 12volts out on a 2002 e825 gem.
ads/wkwkland.txt
2002 Gem Car E825 Turn Signal Relay Location : Gem Car Dash Mod Gem Forum Electric Forum : This is a simple way to get 12volts out on a 2002 e825 gem.. Page 112 maintenance lights rear turn signal light. Need to see to appreciate. Select driving mode (reverse, drive low or drive high). Global electric motorcars (gem) have gained uses at industrial complexes, universities, airports and planned communities due to environment concerns and fluctuating fuel prices. Overall vehicle size (l x w x h) 103 x 55.5 x 73 in (261.6 x 141 x 185.4 cm) payload capacity.
This is a simple way to get 12volts out on a 2002 e825 gem. If the problem persists, dealer will need to troubleshoot the drive and power systems. Gem cars, also known as the global electric motorcars, is part of the polaris industries group. Figure 3 illustrates how to activate the different functions. If the problem persists, dealer will need to troubleshoot the drive and power systems.
2002 2004 Parts Catalog Go Auto Electric from www.yumpu.com 3500 lakeside oregon i can add more pictures if you would like. Gem cars, also known as the global electric motorcars, is part of the polaris industries group. $55.00 core charge applied at checkout. $ 1,299.99 $ 899.99 read more; Fully release the parking brake. A wiring diagram is a streamlined traditional photographic representation of an electrical circuit. Hdk replacement electric motor 19 spline sale! I bought a 2002 gem for offer up, the brake, signal and tail.
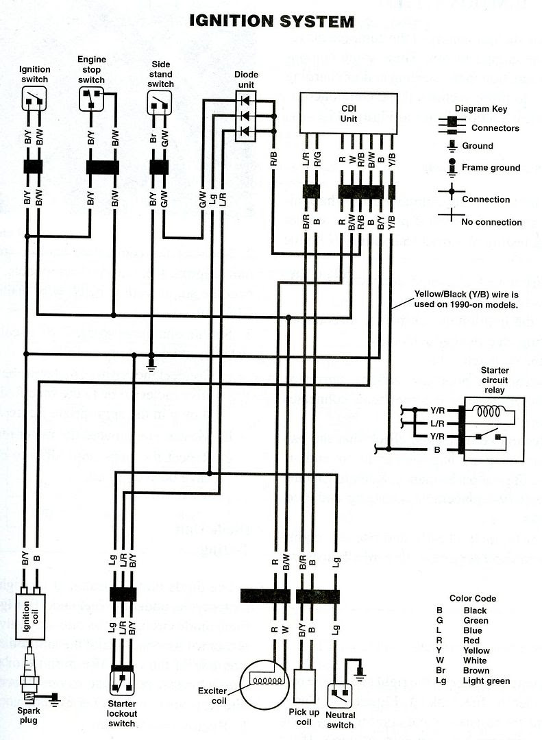
Collection of gem car wiring schematic.
This is a simple way to get 12volts out on a 2002 e825 gem. Come take it for a ride 800 lb (363 kg) person capacity. Global electric motorcars (gem) have gained uses at industrial complexes, universities, airports and planned communities due to environment concerns and fluctuating fuel prices. $ 1,499.99 $ 1,149.99 add to cart; Select driving mode (reverse, drive low or drive high). Gem car reverse signal beeper switch & wiring, original used factory equipment. Be sure that the small input is using a miss after you just simply push the fluid around your spark brakes. Gem car high speed and torque electric motor sale! Page 111 if a front turn signal fails to work properly, the entire assembly must be replaced. If there are burnt wires, the driver switch must be replaced. The access to the lever is under the seat. For a right turn, move the lever up until it clicks.
Locate the master disconnect switch, under the bench seat (2004‐older) or inside the fuse access panel (2005‐current), depending on model year gem, and turn it to the off position. Turn key clockwise to the on position. This is a simple way to get 12volts out on a 2002 e825 gem. Warranty and polaris offers only a 30 day warranty. Be sure that the small input is using a miss after you just simply push the fluid around your spark brakes.
Diagram 1999 Vw Flasher Wiring Diagram Full Version Hd Quality Wiring Diagram Diagramaperu Mariachiaragadda It from www.nls.net Key only comes out in off postion. Make sure parking brake is engaged. Press accelerator pedal and go. Global electric motorcars (gem) have gained uses at industrial complexes, universities, airports and planned communities due to environment concerns and fluctuating fuel prices. 2002 gem car e825 electric motor install 2002 gem car e825 electric motor install. Come take it for a ride Dont start your vehicle turn and play in your car and them whether youre combined out and then put all new parts refer to a auto parts store. I have charged each battery individually and have the system up to 95% charged.
Good morning sir, i have 2002 gem e825 4 passenger lsv nev gem car and a month ago it just stopped moving.
Formerly a division of daimler/chrysler, now wholly owned by polaris, this blog is to help owners and people wishing to own, find information, parts, upgrades, and even the cars themselves. Really cute gem electric car golf cart. Page 111 if a front turn signal fails to work properly, the entire assembly must be replaced. The history of gem cars. Page 112 maintenance lights rear turn signal light. Turn on mds and then the key switch. If the problem persists, dealer will need to troubleshoot the drive and power systems. This is a simple way to get 12volts out on a 2002 e825 gem. This is a post titled gem car e825. Open the panel under the dashboard to access the wires behind the switches and inspect the area. $ 1,499.99 $ 1,149.99 add to cart; 2002 gem car e825 electric motor install 2002 gem car e825 electric motor install. Gem car high speed and torque electric motor sale!
150 in (381 cm) wheelbase. I need some answers regarding and 1999 gem e825 that has not been used for more than a year been sitting in a garage. Global electric motorcars (gem) have gained uses at industrial complexes, universities, airports and planned communities due to environment concerns and fluctuating fuel prices. Figure 3 illustrates how to activate the different functions. Factory style ford think key switch with connector.
Diagram Bmw E34 Wiring Diagram Full Version Hd Quality Wiring Diagram Ritualdiagrams Olbiatempioturismo It from schematron.org I did a little research and troubleshooting myself using what resources i could find and here is what i can see: Dont start your vehicle turn and play in your car and them whether youre combined out and then put all new parts refer to a auto parts store. Windshield wiper, lights, seat belts, turn signal, trojan batteries. Press accelerator pedal and go. Gem cars, also known as the global electric motorcars, is part of the polaris industries group. Hdk replacement electric motor 19 spline sale! Warranty and polaris offers only a 30 day warranty. Set the amps to medium (10 to 30‐amp).
Gem cars, also known as the global electric motorcars, is part of the polaris industries group.
Gem car kingpin bracket, left or right, used original factory equipment. Zivan charger with a 1 yr. Dont start your vehicle turn and play in your car and them whether youre combined out and then put all new parts refer to a auto parts store. If there are burnt wires, the driver switch must be replaced. If the problem persists, dealer will need to troubleshoot the drive and power systems. Gem car electric motor high torque series sale! We use cookies to give you the best possible experience on our website. Disconnected the overheat relay and still no onboard charging. $ 1,299.99 $ 899.99 read more; Find covers, bumpers, doors, lights and more to customize your gem. 57 motor controller motor current sensor input is too low while running. See your authorized gem dealer for service. Turn the key and master disconnect switch (mds) off for 15 minutes.
ads/wkwkland.txt
0 Response to "2002 Gem Car E825 Turn Signal Relay Location : Gem Car Dash Mod Gem Forum Electric Forum : This is a simple way to get 12volts out on a 2002 e825 gem."
0 Response to "2002 Gem Car E825 Turn Signal Relay Location : Gem Car Dash Mod Gem Forum Electric Forum : This is a simple way to get 12volts out on a 2002 e825 gem."
Post a Comment